產品介紹
咨詢服務熱線:13957717877
產品概述
資料下載
相關產品
相關資訊


GOH38A02系列編碼器產品特點: |
1、替代日本KOYO光洋TRD-2TH系列。 |
2、采用加長鋼軸、增大軸端徑向受力。 |
3、黑色膠蓋軸承,防油、防灰。 |
4、采用推挽輸出電路,增大輸出功率。 |
5、抗干擾電路優化處理。 |
GOH38A02系列編碼器應用場合: |
配套各種PLC、控制系統應用可直接安裝電機后端,做速度信號控制功能。 |

GOH38A02系列編碼器型號及含義:

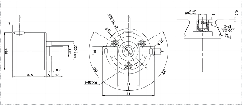
GOH38A02系列編碼器機械圖(單位:mm):


GOH38A02系列編碼器輸出相位差:

GOH38A02系列編碼器接線表:

上一個:GOH38A01系列旋轉編碼器
下一個:GOS40A系列旋轉編碼器
優惠券
我們的微信
13957717877
13957796089