產品介紹
咨詢服務熱線:13957717877
產品概述
資料下載
相關產品
相關資訊

GPS8-17型雙電源自動轉換開關針對雙電源供電場景設計,電壓、電流保護參數可靈活自定義,能精準監測供電狀態并快速完
成電源切換,同時具備數字顯示與 LED 故障指示,供電狀態可視化,且適配寬溫工作環境,安裝方式適配工業常規布線要求,滿
足不同場景的供電保障需求。
1.保護功能,配備過壓、欠壓、過流多重保護,可根據實際使用需求設置保護閾值與動作延遲時間,適配不同供電環境的保護要
求。
2.電源切換智能,支持設置相位優先級,可選擇固定主電源或自動識別正常電壓電源,切換時間可調節,斷電間隙可靈活把控。
3.運行狀態直觀,配備數字顯示屏實時顯示電壓、電流數據,LED 指示燈清晰反饋電源選擇、故障恢復、各類故障狀態,便于快速
排查問題。
4.安裝使用便捷,采用 DIN 導軌標準安裝方式,適配工業常用安裝規范,機身小巧輕便,參數設置操作簡單,支持手動 / 自動雙重
操作模式。
5.環境適應性強,可在 - 20℃~+60℃環境下正常工作,存儲溫度范圍更廣,能適應不同地域、不同工況的環境條件,運行穩定性
佳。
1.雙電壓規格適配,提供 AC220V、AC110V 兩款核心規格,工作電壓覆蓋寬范圍,可匹配不同地區、不同設備的供電電壓要求。
2.參數可靈活設置,過壓、欠壓及恢復值均以 1V 為步長調節,過流值以 0.1A 為步長調節,各類動作、延遲時間均可按需設定,調
節精度高。
3.手動自動結合,正常工況下可手動控制負載通斷,也可自動實現主備電源切換,故障狀態下支持故障復位設置,操作方式靈活。
4.測量精度較高,電壓、電流測量誤差≤1%,能精準反饋供電參數,為電源切換和保護動作提供準確的數據支撐。
5.機械電氣耐用,具備標準的機械與電氣使用壽命,防護等級達前板 IP40 / 端子 IP20,能應對常規的工業使用環境,延長設備使
用周期。
6.操作設計人性化,參數設置支持短按微調、長按快調,60 秒無操作自動退出設置模式,也可手動長按退出,有效避免誤操作。
1.民用建筑場景,適用于住宅、寫字樓、商場等場所的應急供電系統,在市政電網停電時,可自動切換至備用電源,保障照明、電
梯、消防等關鍵設備供電。
2.工業生產場景,可應用于小型加工廠、車間的生產設備供電,當主供電電源出現電壓異常、過流等故障時,快速切換至備用電
源,減少生產中斷損失。
3.新能源配套場景,適配光伏、儲能電池等新能源供電系統,可實現市政電網與新能源電源的自動切換,保障用電設備在新能源供
電正常時優先使用清潔能源。
4.商業服務場景,用于便利店、藥店、通訊營業廳等小型商業場所,保障收銀設備、通訊設備、冷藏設備等關鍵設備的持續供電,
提升服務連續性。
5.安防監控場景,適用于小區、園區、道路的安防監控、門禁系統,在主電源故障時自動切換備用電源,監控設備不間斷運行,保
障安防系統有效性。
6.小型辦公場景,針對創業園區、小型辦公間的辦公設備供電,保障電腦、打印機、網絡設備等的持續供電,避免因突然斷電造成
數據丟失、工作中斷。
GPS8 | - | 17 |
GPS8系列 | 設計序號 |
參數項 | 220V | 110V |
產品功能 | 雙電源自動轉換開關 | |
額定供電電壓 | AC220V(L1-N1,L2-N2) | AC110V(L1-N1,L2-N2) |
額定供電頻率 | 45~65Hz | |
工作電壓范圍 | 80V~400V(L1-N1,L2-N2) | 70V~400V(L1-N1,L2-N2) |
額定工作電流(AC1) | 63A、80A | |
負載功耗 | AC max.3VA | |
過壓動作值范圍 | OFF、230V~300V | OFF、120V~300V |
欠壓動作值范圍 | 140V~210V、OFF | 70V~100V、OFF |
過 / 欠壓動作延遲 | 0.1s~10s | |
過流動作值范圍 | 1A~63A、80A | |
過流動作延遲 | 2s~600s | |
上電延遲時間 | 2s~600s | |
復位時間 | 2s~900s | |
電源切換時間 | 0s~900s | |
測量誤差 | ≤1% | |
電氣壽命(AC1) | 1×10?次 | |
機械壽命 | 1×10?次 | |
工作溫度 | -20℃ ~ +60℃ | |
存儲溫度 | -35℃ ~ +75℃ | |
安裝方式 | DIN 導軌 EN/IEC 60715 | |
防護等級 | 前板 IP40 / 端子 IP20 | |
工作位置 | 任意 | |
產品尺寸(mm) | 82×72×68 | |
產品重量 | 280g | |

| 可用于手動開啟或關閉負載 |
| 長按該設置鍵 3 秒進入設置模式,修改參數后,再次長按 3 秒保存設置 |
| 設置參數時,用于增大數值 |
| 設置參數時,用于減小數值 |
指示燈狀態 | L1/L2 指示燈 | FLT 指示燈 |
| 該相未被選中 | 電壓正常 |
| 該相已被選中 | L1、L2 電壓均故障 |
| 電壓故障恢復延遲中 | 觸點斷開故障 |
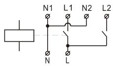
產品接線圖:

產品接線示例:


1、本產品不具備隔離功能,維護時請斷開上級微型斷路器(MCB)。
2、與常規自動轉換開關(ATS)不同,本產品的 N1 與 N2 為連通狀態。請注意此特性,該設計可能不適用于部分場景。
1、故障復位:開啟,優先相:自動

2、故障復位:開啟,優先相:L1

3、故障復位:關閉,優先相:L1

4、過流故障

Tp:上電延遲時間 (2~600 秒)
Tr:復位延遲時間 (2~900 秒)
Tu:過 / 欠壓故障動作時間 (0.1~10 秒)
Tc:過流故障動作時間 (2~600 秒)
Ts:切換時間 (0~900 秒)
注意:當切換時間設置為 0 時,實際切換時間約為 0.2 秒。

優惠券
我們的微信
13957717877
13957796089