產品介紹
咨詢服務熱線:13957717877
產品概述
資料下載
相關產品


GRV8-S帶顯示三相電壓監控型電壓繼電器產品優勢: |
1、智能化監控:集成自診斷功能,實時監測繼電器工作狀態,提升系統維護效率。 |
2、人機交互優化:直觀的界面設計降低操作門檻,簡化現場調試流程。 |
3、高適應性:寬電壓范圍兼容與多接線模式支持,適配復雜工業環境。 |
4、空間效率:超薄設計優化柜內布局,適用于高密度安裝場景。 |
5、可靠防護:多重電壓故障保護機制,降低設備損毀風險。 |
GRV8-S帶顯示三相電壓監控型電壓繼電器產品特點: |
1、高精度真有效值測量 - 采用真有效值(TRMS)測量技術,精準反映電壓實際波形,有效應對諧波干擾, 監測數據可靠性。 |
2、多功能液晶顯示 - 內置LCD顯示屏,實時顯示各相電壓值、狀態指示及故障類型,便于現場快速診斷 與參數設置。 |
3、靈活的系統適配性 - 支持三相三線(3P3L)與三相四線(3P4L)兩種接線模式,可適配多種額定電壓 系統(如220V、380V等)。 |
4、高測量精度 - 電壓測量誤差≤1%,滿足精密工業場景對電壓監測的精度需求。 |
5、緊湊型結構設計 - 模塊寬度僅36mm,支持標準35mm卡軌安裝,節省控制柜空間,提升系統集 成度。 |
GRV8-S帶顯示三相電壓監控型電壓繼電器產品應用: |
1、三相電源過/欠壓保護 - 實時監測電網電壓波動,在過壓、欠壓或電壓不平衡時觸發告警或分閘指令,保障 用電設備安全運行。 |
2、設備逆向運行防護 - 通過相序監控功能,防止電機等旋轉設備因電源反相導致的機械損傷或安全事故。 |
3、雙電源切換控制 - 用于正常電源與應急電源(如發電機)的自動切換系統,供電連續性。 |
4、動力負載斷相保護 - 精確檢測三相系統中的缺相故障,及時切斷電源,避免電機燒毀或生產線停機損 失。 |

GRV8-S帶顯示三相電壓監控型電壓繼電器型號說明: |
|
GRV8-S帶顯示三相電壓監控型電壓繼電器技術參數: |
型號 | GRV8-SN | GRV8-SP |
功能 | 監控L-N電壓(3相4線制) | 監控L-L電壓(3相3線制) |
監控端子 | L1-L2-L3-N | L1-L2-L3 |
| 額定工作電壓選擇 | 127-132-138-220-230 -240-254-265(P-N) | 220-230-240-380-400 -415-440-460(P-P) |
額定絕緣電壓 | 500V | |
額定沖擊耐受電壓 | 2.5KV | |
測量頻率范圍 | 45Hz-65Hz | |
工作電壓范圍 | 70V-400V | 130V-650V |
電壓測量誤差 | ≤1% | |
電壓固定滯后率 | 2% | |
斷相電壓值 | 50%額定電壓 | |
動作延時時間 | ≤5% | |
溫度波動誤差 | 0.05%/°℃,at=20℃(0.05%°F,at=68°F) | |
輸出 | 2組觸點 | |
觸點電流 | 2×SPDT : Ith:5A;AC-15:Ue/le:250V/1A | |
切換電壓 | 250VAC/24VDC | |
小切換功率 | 500mW | |
機械壽命 | 1×10? | |
電壽命(阻性負載) | 1×10? | |
工作環境溫度 | -20℃ to+55℃(-4F to 131°F) | |
存儲和運輸環境溫度 | -35℃ to +75℃(-22F to 158°F) | |
安裝方式 | 35mm卡軌安裝 | |
防護等級 | IP20 | |
安裝位置 | 任意 | |
安裝海拔高度 | ≤2000米 | |
污染等級 | 2 | |
接線能力 | 1×2.5mm2或2×1.5mm20.4N ·m | |
外形尺寸 | 90×36×64mm | |
重量 | 100g | 109g |

GRV8-S帶顯示三相電壓監控型電壓繼電器屏幕顯示說明: |
|
GRV8-S帶顯示三相電壓監控型電壓繼電器屏幕操作說明: |
短按 |
|
三相電壓查詢: |
短按 |
|
參數設定: |
|
備注: |
按 改變設置數,長按按鍵可以快速加減。 |
在設置完參數時,長按MD鍵3s退出,會自動保存設置的參數。如果連續60s沒有操 作按鍵,繼電器會自動退出菜單,但不會保存更改的參數。 |
在關閉過電壓保護、欠電壓保護或不平衡保護功能時,菜單不再顯示動作時間設置 流程。 |
GRV8-S帶顯示三相電壓監控型電壓繼電器設定參數表: |
參數 | 設定范圍 | 步進值 | 默認值 | 備注 | |
| 額定電壓(Un) | 127-132-138-220-230 -240-254-265(P-N)220-230-240-380-400 -415-440-460(P-P) | 220V | GRV8-SN | ||
| 380V | GRV8-SP | ||||
| 過壓 | 過壓值 | OFF,(Un+1)..350 OFF,(Un+1)..600 | 1V 1V | 253V 437V | GRV8-SN |
| GRV8-SP | |||||
| 過壓延時 | 0.1..20s | 0.1s | 2s | ||
| 欠壓 | 欠壓值 | 80... (Un-1),OFF | 1V | 187V | GRV8-SN |
150... (Un-1),OFF | 1V | 323V | GRV8-SP | ||
| 欠壓延時 | 0.1..20s | 0.1s | 2s | ||
| 電壓不平衡 | 不平衡率 | OFF-5%...20% | 1% | 8% | |
| 不平衡延時 | 0.1..20S | 0.1s | 2s | ||
| 相序保護 | ON-OFF | ON | |||
| 啟動延時 | 0.3...30s | 0.1s | 0.3s | ||
| 自動復位 | ON-OFF | ON | |||
注意:“ON”表示該功能開啟,“OFF”表示該功能關閉 | |||||
| |||||

GRV8-S帶顯示三相電壓監控型電壓繼電器產品功能圖: |
斷相與相序保護功能圖 |
|
過壓與欠壓保護功能圖 |
|
電壓不平衡保護功能圖 |
|
To:過電壓動作延時時間。 |
Tu:欠電壓動作延時時間。 |
Ta:不平衡動作延時時間。 |
Tr:啟動、復位時間。 |
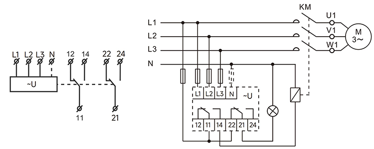
GRV8-S帶顯示三相電壓監控型電壓繼電器產品接線: |
|
GRV8-S帶顯示三相電壓監控型電壓繼電器產品尺寸: |
|
上一個:GYHC系列自動款模數化接觸器
優惠券
我們的微信
13957717877
13957796089