產品介紹
咨詢服務熱線:13957717877
產品概述
資料下載
相關產品


為什么選擇GRI8-01...04系列電流繼電器? |
1、精準適配:6檔可調電流規格(0.5A~6A),滿足多樣化負載需求 |
2、安裝便捷:超薄18mm寬度設計,兼容35mm標準卡軌安裝 |
3、高兼容性:支持AC/DC 24~240V寬電壓電源輸入 |
4、雙重監測:內置隔離互感器,同時支持外接互感器擴展量程 |
GRI8-01...04系列電流繼電器產品優勢: |
1、空間優化:緊湊型設計節省控制柜空間,提升布線效率 |
2、運維直觀:LED狀態指示燈實時顯示繼電器動作狀態 |
3、抗干擾能力:0.1s~10s可調延時功能,有效規避瞬時電流沖擊導致的誤動作 |
4、擴展靈活:支持外接電流互感器,監控范圍可擴展至500A |
GRI8-01...04系列電流繼電器產品特點: |
1、智能延時保護 - 動作時間在0.1秒至10秒范圍內連續可調,有效過濾設備啟動時的瞬態尖峰電流, 提升保護準確性。 |
2、多重量程覆蓋 - 提供6檔標準電流規格(0.5A/1A/2A/5A/8A/16A),并可通過外接互感器實現大 電流監測。 |
3、寬域電源適配 - AC/DC 24~240V交直流寬電壓輸入設計,適應不同工業場景的電源環境。 |
4、可視化運維 - 內置高亮度LED指示燈,實時反饋繼電器通斷狀態,便于設備狀態監控。 |
5、緊湊型結構 - 18mm超薄機身配合35mm標準卡軌安裝,提升控制柜空間利用率。 |
GRI8-01...04系列電流繼電器產品應用: |
1、電梯安全系統: - 實時監測曳引機運行電流,觸發過載保護,保障電梯安全運行 |
2、電機保護: - 對單相風機、水泵等設備的電流進行持續監控,防止電機堵轉或繞組燒毀 |
3、能耗管理: - 在配電柜中實現電流過載預警,配合控制系統實現負載優化 |
4、設備狀態指示: - 作為電流閾值報警單元,通過繼電器觸點輸出驅動聲光報警裝置 |
5、工業自動化: - 集成于PLC控制系統,為生產線設備提供過流保護及故障診斷信號 |

GRI8-01...04系列電流繼電器型號說明: |
|
GRI8-01...04系列電流繼電器技術參數: |
GRI8-01 | GRI8-02 | GRI8-03 | GRI8-04 | |
| 功能 | 過流保護 | 欠流保護 | 過/欠流保護 | 過欠流保護 |
| 電源端子 | A1-A2 | |||
| 額定電源電壓 | AC/DC 24V-240V | |||
額定電源頻率 | 50/60Hz,0 | |||
消耗功率 | ≤2W | |||
電源允許 波動范圍 | -15%;+10% | |||
額定絕緣電壓 | 250V | |||
額定沖擊 耐受電壓 | 2.5kV | |||
電流規格 (交流) | 0.05A-0.5A、0.1A-1A、0.2A-2A、0.5A-5A、0.8A-8A、1.6A-16A | |||
持續通過電流(B1-B2) | 2A、 2A、 4A、 8A、 12A、 22A | |||
電流設定方式 | 旋鈕設定 | |||
動作延時時間 | 0.1s~10 s | |||
上電延時時間 | 0 1s~10 s | |||
電源指示燈 | 綠色LED | |||
設定精度 | 10% | |||
電流測量精度 | 5%(0.05-0.5A為10%) | |||
溫度波動誤差 | <0.1%1℃ | |||
滯后值 | 5% | |||
輸出 | : Ith:10A;AC-15:Ue/le:250V/2.5A | |||
小切換功率 | 500mW | |||
輸出繼電器指示 | 紅色LED | |||
機械壽命 | 1×107 | |||
電氣壽命 (阻性負載) | 1×10? | |||
工作環境溫度 | -20℃~+55℃ | |||
存儲和運輸 環境溫度 | -35℃~+75℃ | |||
安裝方式 | 35mm卡軌安裝 | |||
防護等級 | IP20 | |||
安裝位置 | 任意 | |||
安裝海拔高度 | ≤2000米 | |||
污染等級 | 2 | |||
接線能力 | 1×2.5mm2或2×1.5mm20.8N ·m | |||
外形尺寸 | 90mm×18mm×64mm | |||
重量 | 69g | |||
符合標準 | GB/T14048.5,IEC60947-5-1 | |||

GRI8-01...04系列電流繼電器產品面板: |
|
設定注意事項: |
GRI8-04的錯誤設定 |
|
- 當欠流設定值大于過流設定值時,紅燈和綠燈同時閃爍,觸點斷開。 - 當欠流設定值小于過流設定值時,指示燈恢復。 |
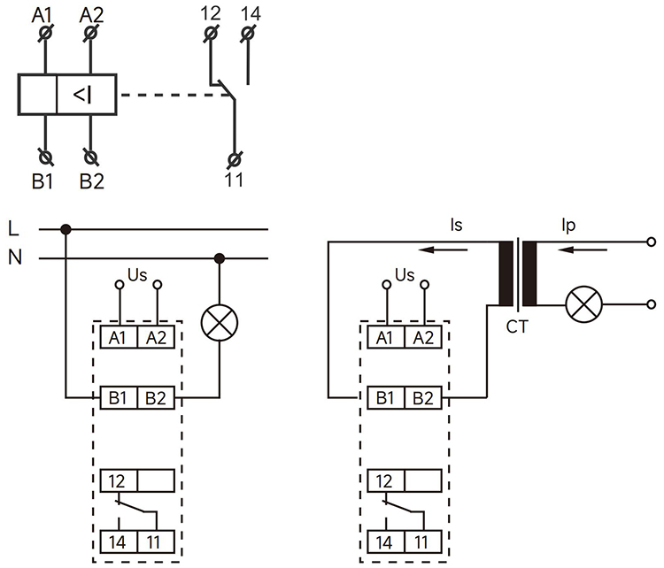
GRI8-01...04系列電流繼電器產品接線: |
|

GRI8-01...04系列電流繼電器產品功能: |
GRI8-01功能圖 |
|
GRI8-02功能圖 |
|
GRI8-03功能圖 |
|
GRI8-04功能圖 |
|
注: |
Tr:上電延時時間 |
Tt:動作延時時間 |
GRI8-01...04系列電流繼電器產品尺寸: |
|
優惠券
我們的微信
13957717877
13957796089