產品介紹
咨詢服務熱線:13957717877
產品概述
資料下載
相關產品
相關資訊


GRT8-FR正反轉控制時間繼電器產品優勢: |
GRT8-FR 正反轉控制型時間繼電器集高精度時序編程、操作便捷性、超強環境適應 能力與超高空間效率于一身。其獨立可調的三段時序、即時的強制停止功能、超寬的延 時與電壓范圍、直觀的狀態指示以及微型化設計,共同構成了其在復雜自動化控制任務 中的核心競爭力。 |
GRT8-FR正反轉控制時間繼電器產品特點: |
1、獨立可編程時序控制: - 核心優勢在于可獨立、精確地設定正轉運行時長、停止間隔時間以及反轉運行時 長。用戶可根據設備工藝需求自由編程完整的正-停-反工作循環,實現高度定制化的自 動化流程。 |
2、即時響應強制停止: - 配備用戶友好的強制停止功能。通過外接按鈕,操作人員可在任意時刻(無論處 于正轉、停止或反轉階段) 立即中斷當前動作,提升設備操作的安全性與響應靈 活性,應對突發狀況或調試需求。 |
3、 超寬延時范圍,適用性廣: - 提供覆蓋范圍廣的延時設定范圍(0.1秒至99天)。這一特性使其能夠勝任從瞬間 精準控制到超長周期管理的多樣化應用場景,無論是高速分揀還是緩慢的物料處理流程 皆可覆蓋。 |
4、的電源適應性: - 支持 AC/DC 12V - 240V 超寬工作電壓,無需額外配置電源適配模塊。這種設計 使其能無縫集成于全球主流電氣標準和各種復雜的供電環境中,大大簡化安裝與庫存管 理。 |
5、直觀的狀態監控: - 內置高亮 LED 指示燈,實時、清晰地指示繼電器當前的工作狀態(正轉、停止、 反轉或強制停止),便于現場人員快速診斷設備運行狀況,提升維護效率。 |
6. 高度節省空間: - 采用緊湊型設計,寬度僅18mm,支持標準的35mm DIN 卡軌安裝。優化控 制柜內部空間利用率,尤其適用于空間受限的密集安裝場合。 |
GRT8-FR正反轉控制時間繼電器產品應用: |
GRT8-FR 的核心價值在于其強大的正反轉時序控制能力,使其廣泛應用于需要電機 或執行機構周期性改變運動方向的自動化領域: |
1、工業生產線傳送系統: - 精確控制傳送帶、滾筒線或升降機的正向輸送、暫停以及反向回退(如定位糾偏、 物料退回)的時序,實現物料的有序流轉與精準定位。 |
2、自動化往復運動機構: - 驅動噴涂機械臂、清洗刷、打磨頭、鋸床、送料裝置等設備,按照設定的時間周期 進行前進(正轉)- 暫停 - 后退(反轉)的往復運動,完成均勻覆蓋或加工任務。 |
3、物料搬運與分揀設備: - 控制推桿、擋板、轉臺、分揀臂等執行元件的動作方向與停留時間,實現物件的定 向推送、阻擋、旋轉分揀及歸位等復雜邏輯。 |
4、測試臺與工裝夾具: - 用于產品壽命測試中模擬正反轉工況的循環切換,或控制夾具的夾緊(正轉)- 保 持 - 松開(反轉) 動作序列。 |
5、需要方向切換的機械設備: - 如卷簾門、閥門、攪拌機(特定模式)、小型起重機行走機構等,實現定時自動開 啟/關閉、攪拌方向交替或往返移動。 |

GRT8-FR正反轉控制時間繼電器型號說明: |
|
GRT8-FR正反轉控制時間繼電器技術參數: |
型號 | GRT8-FR | |
功能 | 正反轉控制 | |
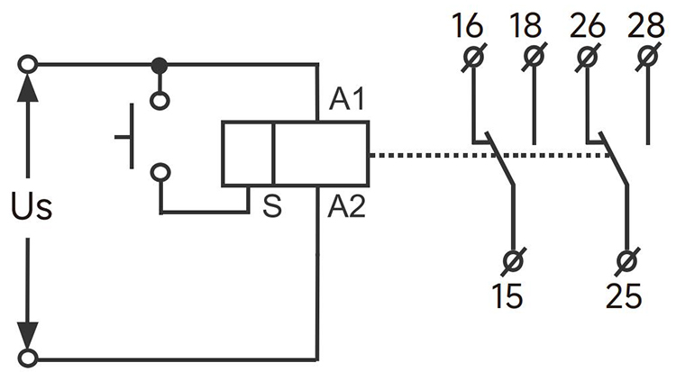
電源端子 | A1-A2 | |
額定控制電源電壓 | W 2 4 0 | AC/DC 12-240V 50Hz |
消耗功率 | AC 0.7-3VA/DC 0.5-1.7W | |
額定控制電源電壓 | A220 | AC 220V 50Hz |
消耗功率 | AC max.6VA/1.9W | |
電源允許波動范圍 | -15%;+10% | |
額定沖擊耐受電壓 | 2.5KV | |
額定絕緣電壓 | 250V | |
延時范圍 | 0.1秒-99天 | |
設定方式 | 按鍵設定 | |
延時精度 | 1% | |
重復精度 | 0.2% | |
溫度波動誤差 | 0.05%/℃ | |
| 輸出觸點參數 | 2組轉換觸點
| |
小切換功率 | 500mW | |
輸出繼電器指示 | 紅色LED | |
機械壽命 | 1×10? | |
電壽命(阻性負載) | 1×10? | |
復位時間 | 200ms | |
工作環境溫度 | -20℃~+55℃ | |
存儲和運輸環境溫度 | -35℃~+75℃ | |
安裝方式 | 35mm卡軌安裝 | |
防護等級 | IP20 | |
安裝位置 | 任意 | |
安裝海拔高度 | ≤2000米 | |
污染等級 | 2 | |
接線能力 | 1×2.5mm2或2×1.5mm20.4N ·m | |
外形尺寸 | 90mm×18mm×64mm | |
重量 | W240-82g,A230-81g | |
符合標準 | GB/T14048.5,IEC60947-5-1,EN 61812-1 | |

GRT8-FR正反轉控制時間繼電器產品面板: |
|
GRT8-FR正反轉控制時間繼電器設置說明: |
延時設定: |
短按 |
|
注意: 按 置模式。 |
功能設定: |
長按 |
|
注意: 按 置模式,在設置模式下,可以按住 |

GRT8-FR正反轉控制時間繼電器產品功能: |
|
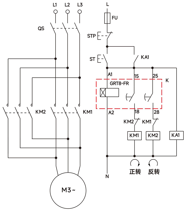
繼電器Us上電后,15-18閉合,電機正轉,延時t1后斷開,電機停止。再延時t2后, 25-18閉合,電機反轉,延時t3后25-28斷開,電機停止,如此循環。在任意時刻,接 通A1-S,電機停止運轉,延時暫停。 |
GRT8-FR正反轉控制時間繼電器產品接線: |
|
|
GRT8-FR正反轉控制時間繼電器產品尺寸: |
|
優惠券
我們的微信
13957717877
13957796089